Запасные части ЧТЗ Запасные части ЧТЗ
Ташкент
Например:
Актобе
Алдан
или
Выбрать автоматически
Актобе
Алдан
Алматы
Алчевск
Архангельск
Астана
Астрахань
Атырау
Баку
Балашиха
Барнаул
Белгород
Бердянск
Бишкек
Владивосток
Владикавказ
Воркута
Воронеж
Горловка
Грозный
Донецк
Екатеринбург
Иваново
Ижевск
Иркутск
Казань
Калининград
Каменск-Уральский
Караганда
Каховка
Кемерово
Киров
Комсомольск-на-Амуре
Костанай
Краснодар
Красноярск
Красный луч
Ленск
Луганск
Магадан
Магнитогорск
Макеевка
Махачкала
Мелитополь
Минск
Мирный (Якутия)
Москва
Мурманск
Нерюнгри
Нижневартовск
Нижний Новгород
Нижний Тагил
Новая каховка
Новокузнецк
Новосибирск
Новый Уренгой
Норильск
Ноябрьск
Нур-Султан
Омск
Оренбург
Ош
Павлодар
Пермь
Петрозаводск
Петропавловск
Петропавловск-Камчатский
Псков
Ростов-на-Дону
Салехард
Самара
Санкт-Петербург
Саратов
Севастополь
Семей
Симферополь
Сочи
Ставрополь
Сургут
Сыктывкар
Тараз
Ташкент
Токмак
Томск
Тында
Тюмень
Ульяновск
Усинск
Усть-Каменогорск
Уфа
Хабаровск
Ханты-Мансийск
Херсон
Челябинск
Чита
Шымкент
Экибастуз
Энергодар
Южно-Сахалинск
Якутск
Ваш город
Ташкент
Войти
Запасные части к тракторам на одном сайте
+7 (932) 303-00-10
+7 (932) 303-00-10
г. Ташкент, ул. Кичик Бешагач, д. 20
Пн-Пт: 9:30-18:30 Cб-Вс: Выходной
Отправить заявку


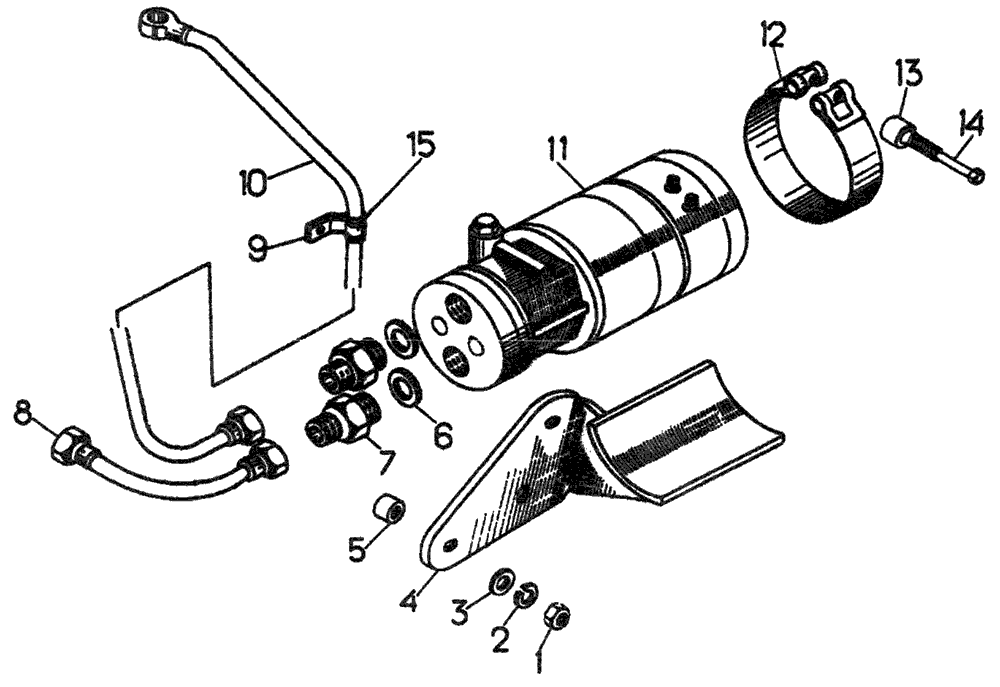
Установка маслозакачивающего насоса МЗН-4 на Т10М / Б10М


/
с НДС 20%
Описание
Установка маслозакачивающего насоса МЗН-4 на Т10М
#Номер запчастиНаименование деталиКол-во в сборке
1-Гайка ГПШ-М10х13
2-Шайба 10 ОТ 65Г 093
331308Шайба3
451-09-192СПКронштейн1
551-70-2Втулка3
640910Кольцо2
7700-41-3355Штуцер2
851-09-189СПТруба1
941627Хомут1
1051-09-190СПТруба1
1151-09-211СПМаслозакачивающий насос МЗН-41
1251-09-191СПХомут1
1351-05-36Втулка1
14700-28-2376Болт1
15700-40-2654Прокладка1
Установка маслозакачивающего насоса МЗН-4